Knife Edge Type Thermocouple

  • Knife Edge Type Thermocouple with expansion loops
Knife Edge Type Thermocouple with expansion loops

Knife Edge Type Thermocouple with expansion loops

  • Knife Edge Type Thermocouple with expansion loops
  • Knife Edge Type Thermocouple
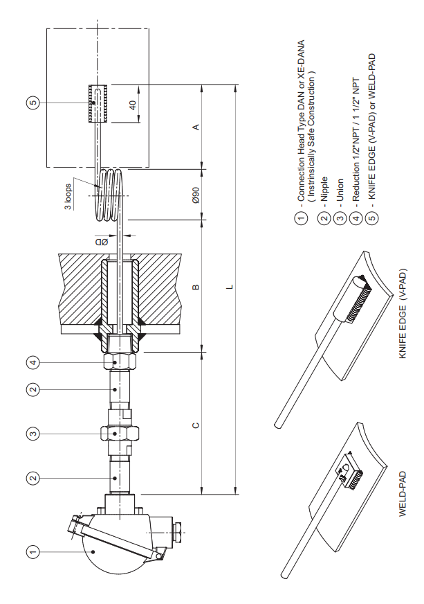
  • Product description: Knife Edge Type Thermocouple with expansion loops provides accurate surface and wall temperature measurements,for applications that are located in hazardous environments. Each thermocouple assembly
  • INQUIRY

   Knife Edge Type Thermocouple with expansion loops provides accurate surface and wall temperature measurements,for applications that are located in hazardous environments. Each thermocouple assembly consists of a spring loaded thermocouple, magnesium oxide, MgO,insulated insert, a connection head, lag extension, expansion loop, and weldable sensor. The assembly may also include an optional terminal block for wiring or transmitters.

Knife Edge Type Thermocouple

Knife Edge Type Thermocouple

   Many attempts to monitor tube wall temperature with accuracy and reliability have failed because either the attachment of the element to the tube was inadequate or the shielding to prevent direct flame impingement at the point of attachment was too extensive.
   When the conventional “Pad” thermocouple is welded to a tube surface, a void space may occur between the underside of the pad and the tube surface. This void space impedes heat transfer from the pad to the cooler heater tube wall. The result is that heat energy from flame impingement and furnace gases flow to the pad edges and through the securing welds to the tube wall. This indirect flow path retards the absorption rate of the tube surface beneath the pad and the thermocouple is responsive to pad temperature which is considerably higher than tube wall temperature.
  Knife Edge Type Thermocouple with expansion loops is designed to be responsive to tube wall temperature by placing the thermojuction in fused contact with the tube wall and by providing a direct and totally metallic heat transfer path from the sheath to the tube wall.
   Knife Edge Type Thermocouple with expansion loops provides better accuracy, superior reliability, improved longevity and ease of    installation over competitive thermocouples available for fired heater tube temperature measurement.
When you specify Knife Edge Type Thermocouple with expansion loops, you are specifying an unsurpassed technology currently in use around the world. You will also receive unparalleled service and support from Thermo-Couple Products. With quality programs in place to meet and exceed the requirements of ISO 9001:2000, you can be sure that you are buying the best when you ask for Thermo-Couple Product’s thermocouple.

Scan the qr codeClose
the qr code